Beiträge von Loki

    es geht voran, schleppend und langsam, aber es geht vorwärts...


    hab übrigens mal die bodenfreiheit zur querlenkerstrebe gemessen, liege bei ca 7.5 cm...


    erledigt ist mittlerweile:
    serienspiegel mit elektrischer verstellung (hab da die ankerplatten, die bei meinen spiegeln mit lackiert waren sowie die kappen getauscht)
    türverkleidungen sowie neue folie dahinter sind montiert.
    gekürzte koppelstangen am VA stabi montiert
    die ganze musikverdrahtung rausgerupft (wechslerkabel, chinchkabel)
    lcd tacho zum reinigen zerlegt
    leitungsübergänge karosserie zu heckdeckel sowie türen mit wellschlauch ausgeführt





    untenliegende schaltung: schaltgestänge liegt im tunnel, also ausserhalb des fahrzeuges. -> kleiner tunnel, bodengruppe D-kadett
    obenliegende schaltung: schaltgestänge liegt auf dem tunnel (unter der bodenkonsole) im fahrzeug. -> grosser tunnel, bodengruppe E-kadett


    okay, dann hab ich scheinbar bisher glück gehabt, egal obs mein kadett cabrio war, mein calibra oder mein astra g coupe, bei denen ist das null problem...

    das band hätte ich halt aus optischen gründen verwendet und um bissl wärme ausm motorraum raus zu halten, das müsste ja normal weiter zum kat und der abgasanlage geleitet werden. das allerdings nun der einwand dazu kommt, das es auch in den kopf eingeleitet wird... daran dachte ich noch garnich...


    denn DAS wäre mehr als ungünstig...


    vorteilhaft wäre das bei mir natürlich noch, da der fächerkrümmer sehr nah an den servoleitungen entlangläuft, im aktuellen zustand sogar volle berührung (muss das noch umbauen)...


    da solls auch unterschiede geben, was da genau nu is, weiss ich aber auch nimmer...



    das werd ich mir ma näher ansehen :D

    interessante thematik. wollte meinen fächerkrümmer an sich komplett ab flansch einwickeln bis zum übergang zum kat... aber nun bin ich skeptisch. motor wäre nen 8v, grösstenteils wäre das ne maßnahme der kosmetik, da der krümmer optisch nicht mehr der schönste ist...

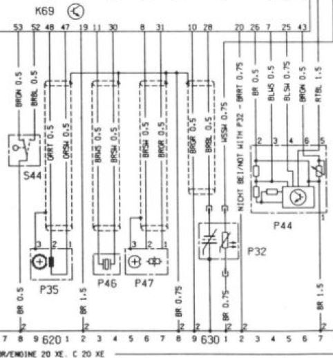
    P47 is laut zeichnung "hallgeber zylindererkennung"



    hast also definitiv am geber nen masseanschluss... check mal ob es da zwischen masse und dem pin verbindung gibt, wenn nicht, nachbessern. wenn doch, weitersuchen, evtl auch mal die beiden leitungen durchmessen.