natürlich ist es eigentlich egal, woher der Gaszug ist. solange die Länge passt und der kugelkopf..
also die Länge vo C20NE Gaszug ist 510mm / 350mm
natürlich ist es eigentlich egal, woher der Gaszug ist. solange die Länge passt und der kugelkopf..
also die Länge vo C20NE Gaszug ist 510mm / 350mm
wie sieht es denn mit den Gaszügen vom Astra F aus ? der hatte doch auch den C20NE drin.. die müßten doch passen
Die Karosserie ist rost- und unfallfrei und hat neue Seitenwände und Grundschweller bekommen...ebenso neue Kotflügel und eine neue motorhaube. Neue windschutzscheibe, neue Heckscheibe, Seitenscheiben vom Daewoo Nexia und neue Seitenscheiben vorne.
ich hab alles komplett neu an meinem Auto und baue dann Garantiert keinen gebrauchten Gaszug ein. OCP hat ihn auch nicht.
Alles anzeigen(90264461)
(8 48 986)
BOWDENZUG, GASREGULIERUNG, LL (KZ VA) (NML.- KEIN ERSATZTEIL)
20NE[LE4], 20SEH[2H4], C20NE[LE4]
Hab heute von meinem FOH die Meldung bekommen, daß er den Bowdenzug nicht mehr besorgen kann... Wo bekomme ich denn jetzt noch einen her ?
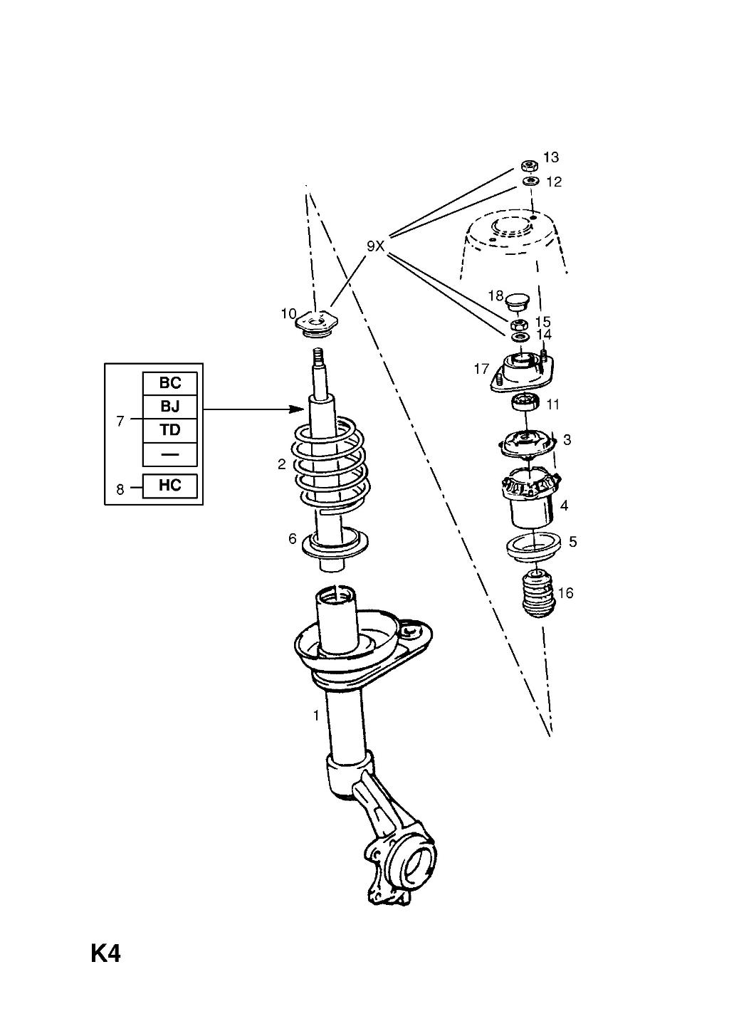
die feder scheint oben nicht auf der richtige position zu sitzen... dadurch sitzt das ganze leicht schräg. so sieht es zumindest für mich aus.
Ich habe bei mir alles erneuert... die Federbeine gesandstrahlt und schwarz gepulvert, und alle Teile ansonsten komplett neu gekauft.
so sieht es aus. hier ist mal eine zeichnung, wo was hinkommt und wierum zusammengebaut wird.
und wenn du schon alles auseinander hast, wieso machst du die teile nicht neu... ich würde so rostige Teile nicht wieder einbauen. auf dem zweiten bild siehst du mein fahrwerk vorne.
So, nach diversen krankheitsbedingten Rückschlägen und der Horror mit den Kabelbäumen habe ich sie jetzt soweit verlegt und angeschlossen und konnte das erstemal Strom auf den Kadett geben....
Hab jetzt noch ein paar kleine Fehler gefunden....
"Kraftstoffpumpenrelais" da muss ich jetzt die Tage schauen, wo die kabel laufen und wie ich sie auf den stecker des relais aufklemmen muss
Danke schonmal für die Teilenummer. Werde am montag zum FOH gehen und, hoffentlich, gibt es den bowdenzug noch.
Habe heute an meinem Kadett weitergemacht und wollte ihn zum Leben erwecken. Leider bekommt meine Kraftstoffpumpe keinen Strom.
Ich habe am Dom auf das Fahrerseite ein Relais sitzen. Dort geht aber nicht das Kabel der Kraftstoffpumpe drauf, sondern bei mir endet es im dicken runden Stecker, wo der Kabelbaum von der Lichtmaschine und Anlasser draufgeht.
Kann mir da jemand weiterhelfen ? brauche ich noch ein weiteres Relais oder liegen die kabel im kabelbaum falsch ?
Hat jemand die Teilenummer vom Bowdenzug Gasregulierung (Gaszug) für den C20NE im Kadett E-CC ???
kann mir evtl. jemand die teilenummer vom gaszug nennen, wo ich die "Feder" aus dem kugelkopf herausnehmen kann ?