Mit halb abgeschraubter Mutter kannst Du versuchen, einen geeigneten Hebel anzusetzen. Dabei das Gewinde und die Gummimanschette vom Gelenk nicht beschädigen.
Beiträge von 13S
-
-
Wenn Du nur das Federbein herausnehmen willst, schraubst Du einfach die Spurstange am Lenkgetriebe ab.
-
Fehlerauslesen kannst Du selbst machen. Anleitung findest Du im Forum hier unter TechZone/Wie´s funktioniert...
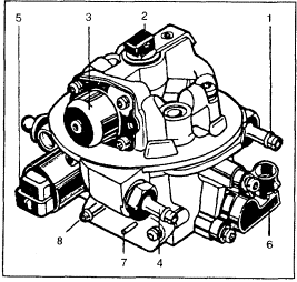
Und das Teil, was Du meinst ist auf dem Bild die Position 5.
-
Das Teil sitzt am Einspritzgehäuse von vorne gesehen unten links.
Kann auch sein, daß der "Leerlauffüllungs-Schrittmotor" ein falsches Signal vom Steuergerät bekommt. Ursache?
-
Hallo,
empfehlenswert wäre es, die Kompression zu überprüfen.
Es könnte sein, daß ein Ventil undicht ist, oder eine defekte Zylinderkopfdichtung.
Gruß nach Österreich
opelkadett
-
...bleibt noch Gebläsemotor, Kabel und Schalter ;).
-
Ist nicht normal ;(.
Ich fahr´ jeden Tag 5km Stadtverkehr hin, und zwei Stunden später 5km wieder zurück.
Wenn ich ankomm´, ist die Heizung schön warm =).
Kannst ruhig das Thermostat tauschen, wenn Du Lust hast - ist ja kein Akt.
-
Für die sechs Schräubchen von der Spritpumpe oben brauchst Du auch noch Dichtungsmasse, spritfeste natürlich :D.
-
Den Speicher löschen kann man, indem man die Batterie eine Weile abklemmt.
Oder nach (20)25 Startvorgängen wird der automatisch gelöscht, wenn der Fehler nicht mehr da ist.
So ist es jedenfalls bei der MULTEC.
Bzgl. Drosselklappenpotentiometer muß ich korrigieren, ist glaube ich nur ein Schalter, also eher unwahrscheinlich.
-
Armer Kerl,
hast ja schon Geld unnütz ausgegeben :heul:.
Natürlich kann was mit der Zyl.-kopfdichtung sein. Nachdem die Kompression gemessen wurde, war aber doch nichts festzustellen :kratz:.
Ehrlich gesagt, weiß ich auch nicht weiter.
Am besten wäre es, jemand in Deiner Nähe mit Erfahrung guckt sich Dein Auto mal mit an ;).
Gruß