Problem mit eVerdeck!!!

  • #1

    jetzt wo der sommer so richtig anfängt will mein dach nicht mehr aufgehen !


    es ist so:


    mein bruder hat gestern am rechten kotflügel ein reparatur blech geschweißt, und danach in den kotflügel so richtig dick hohlraumversiegelung reingesprüht.
    und seitdem leuchtet die Handbremshebelleuchte dauerhaft, ob sie angezogen ist oder nicht und wenn ich den schalter für das verdeck betätige (richtung egal) macht es hinten nur *klack* *klack*


    Was kann das sein !???!?!?!?!?


    ich bin total ratlos, bitte helft mir, ich sterbe wenn das net bald wieder aufgeht.


    postet alles was euch nur einfällt.


    mfg k-cabrio

  • #2

    Kommt drauf an ob ihr hinten oder vorne am Kotflügel gearbeitet habt. Falls es hinten war, denke ich mal das entweder die Holraumversiegelung den Verdeckmechanismus verklebt hat, ein Kabel beim arfbeiten beschädigt wurde oder ihr hattet die Batterie nicht abgeklemmt und dadurch hat die Elektrik nen Knall bekommen.

  • #3

    Wenn die Batterie nicht abgeklemmt wurde müssten auch die dioden der lichtmachine was abbekommen haben.
    Vielleicht mal messen ob sie saft bringt wenn der motor läuft.


    mfg

  • #4

    also die arbeiten waren am hinteren kotflügel (beim tankdeckel) was genau kann dort verklebt worden sein? also hinten macht es noch klack* aber es tut sich garnichts.
    hat das eventuell auch was mit dem handbremshebel zu tun der dauerhaft leuchtet ???
    kann es vielleicht auch sein das beim schweißen ein paar kabel vermschmolzen sind und jetzt aneinander kleben und es nen kurzen gibt ?


    mfg k-cabrio

  • #5

    ich hab gestern nochmal die sicherungen gecheckt, die scheinen alle in ordnung zu sein, und auch die 4 relais hinten.
    also die sicherung fürs verdeck die vorne im motorraum sitzt, sieht mir mehr nach relais aus ( ?? ) woran merke ich das dieses ding kaputt ist?


    problem mit handbremshebel besteht nach wie vor... ich stehe vor einem rätsel.....

  • #6

    Also wenn du irgendwo nen kurzschluss hättest wär auch irgendeine sicherung durch. Wenn die aber alle i.o. sind kanns kein kurzer sein.


    Die stromkreise für verdeck und handbremsleuchte müssten meiner meinung nach getrennt sein. Vielleicht klemmt der kontaktschalter am bremshebel? Kann dir leider nicht sagen wie du das prüfen könntest.


    Und hört sich dieses *klack* vielleicht an wie ein relais? (So ähnlich wie das klacken beim blinken)
    Weil der motor für das verdeck dreht sich ja nur, deshalb kann es der schon mal nicht sein mit dem *klacken*.
    Ich vermute, dass der arbeitsstromkreis nen schaden hat und das klacken ein relais ist, was diesen steuern "will".


    Wenn ich also nicht falsch liege prüf mal den "stromweg" von:
    Batterieplus->sicherung->relais das klackt->stellmotor fürs verdeck
    ->karosserie also batterieminus.


    Ach ja: Die sicherung im motorraum was nach einem relais aussieht: Wenn es ein relais ist sind volgende nummern neben den anschlüssen zu finden: 88,88a,86 und 85. Schau mal nach und schreib was da so drauf steht.


    Viel erfolg


    mfg carsius

  • #7

    also der stromkreis der hansbremsleuchte hat schon verbindung mit dem des verdeckes, weil das verdeck ja nur öffnet wenn die hansbremse gezogen ist.



    verdeckhebemechanismus kann nicht verklebt sein von dem wachs.
    das verdeck wird über eine hydraulik geöffnet und geschlossen.
    das hat so eine kraft das kannst mit dem wachs nicht aufhalten.



    das klacken ist ganz sicher ein relais, welches durchschalten will.


    vorne motorraum die sicherrung die aussieht wie ein relais ist eine sicherrung. die kabel dazu müssen rosa sein und die sicherrung grün. das schwarze ist nur der sockel.


    schau mal ganz genau ob er dabei nicht ein kabel abgerissen hat oder sonstwas. sind ja ziemlich viele da hinten bei den 4 relais. wenn das relais klackt dann ist es eigentlich ok, weil es durchschaltet. ich tippe da mal auf durchtrennte oder abgerissene kabel.

  • #8

    hier seht ihr mal einen überblick über den kabelsalat:
    ich weis nicht wie die teile hinten heissen wo die Relais draufstecken, hab ich sie mal Sockel genannt ;)


    Gelber Sockel:
    Dicke Kabel : 1xRosa 2xBraun 1xWeiß
    dünne Kabel: 1xgelb 1xbraun


    Blauer Sockel:
    Dicke Kabel : 1xSchwarz 1xBraun 1xRosa
    dünne kabel: 1xbraun 1xbraun/weiß 1xgrün


    Grüner Sockel:
    dünne kabel : 2xbraun 1x braun+(sicherung? steht "IN 400" drauf) 1xbraun/schwarz 1xschwarz


    Schwarzer Sockel:
    dünne kabel : 1x schwarz 1xgelb 1xgrün


    SO: es sei bemerkt das vom Gelben sockel das Dicke weiße und vom Blauen Sockel das Dicke schwarze zur Hydraulikpumpe gehen.


    der sockel der *klackt* ist der grüne, weil als ich relais abgezogen hatte klackte nix mehr.



    dann habe ich im seitenschweller ein kabelbündnis gefunden das durch den kotflügel führt, in welchem ja evtl die kabel geschmort sind!!!
    also im seitenschweller sind:


    dicke kabel : 1x Rosa
    dünne kabel : 1xgelb 1xgrün 1x schwarz/braun


    ich hoffe bis dahin konnte man mir noch folgen.


    also was ich glaube ist:


    das dicke Rosane gehört zum Blauen Sockel
    das dünne schwarz/braune gehört zum grünen Sockel


    das dünne grüne kabel kann zu: Blauem oder Schwarzem Sockel gehören


    das dünne gelbe kabel kann zu: Gelbem oder Schwarzem Sockel gehören



    wenn jetzt jemand eine ahnung hätte, welches Relais was wie und wo steuert und welche kabel ausm seitenschweller zu welchem sockel führen, wäre ich unendlich dankbar !!!


    als anhang nochmal eine skizze von dem was auf der Sicherung im motorraum abgebildet ist.


    von der sicherung im motorraum führen diese kabel weg:
    1xrot/blau 1xrot 1xbraun 1xschwarz


    MfG k-cabrio

  • #9

    Hallöchen!


    Du scheinst mehrere Fehler zu haben:


    Zunächst mal für das bessere Verständnis die Richtigen Bezeichnungen:


    K104 - gelber Sockel
    K105 - blauer Sockel
    K106 - grüner Sockel
    Dioden - schwarzer Sockel


    1.Fehler Handbremse:
    Entweder klemmt Dein Schalter oder Du hast irgendwo auf dem Weg zur Handbremse einen Leitungsschaden. Ich vermute den Leitungsschaden unter dem Teppich neben dem Fahrersitz! An dieser Stelle geht die Leitung zur Handbremse hin und dort klebt diese sehr dünne Leitung gerne am Blech und dabei wird die Isolierung oftmals beschädigt.


    2.Fehler!
    Wenn Du den Schalter für das Dach betätigst, dann zieht Dein K106 an (also es klackt)? Das Relais kann nur anziehen, wenn die Persenning drauf ist. Dieses Relais ist nämlich für die Verriegelung (Sicherheitseinrichtung) verantwortlich. Wenn also die Persenning nicht drauf ist und das Relais trotzdem anzieht, ist wahrscheinlich die Leitung, die auf der Beifahrerseite zum Druckknopf der Persenning führt irgendwo durchgescheuert bzw. hat Kontakt mit der Karosserie.


    Du kannst auf folgende Weise probieren, ob ich recht habe oder evtl. noch mehr Fehler vorliegen:


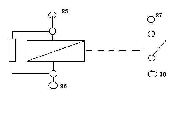
    - Zieh das Relais K106 (grün) ab.
    - nimm etwas Leitung (0,5mm² reichen aus) und steck das eine Ende in den Kontakt "30" und das andere Ende an Masse, also Karosserie.


    Jetzt müsstest Du das Dach bewegen können.
    Falls nicht gibt es noch mehr Fehler und wir müssen das ganz systematisch machen.
    Dann mach das mal und melde Dich dann was passiert ist.


    Hier ist übrigens der Schaltplan!


    Gruß Sascha

  • #10

    hallo ZZR-Sascha!


    also ich habe das mit dem kontakt 30 an relais 106 ausprobiert, geht trotzdem nicht, relais klackt, nix passiert.


    was denkst du kann man jetzt tun ?


    mfg k-cabrio

  • Hey,

    dir scheint die Diskussion zu gefallen, aber du bist nicht angemeldet.

    Wenn du ein kostenloses Konto eröffnest merken wir uns deinen Lesefortschritt und bringen dich dorthin zurück. Zudem können wir dich per E-Mail über neue Beiträge informieren. Dadurch verpasst du nichts mehr.


    Jetzt anmelden!