Blinkeransteuerung

  • #1

    Habe mir eine Funkfernbedienung für zv eingebaut
    an dem steuergrät ist nur ein kabel für die Blinkeransteuerung dran habe es angeschlossen ,macht aber probleme-bzw ich kann nicht rechts und links gleichzeitig anschließen- wer weiß rat?

  • #3


    Da schon gar nicht!


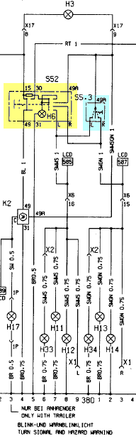
    An das Kabel 2 Dioden anlöten und mit den beiden Kabeln zu den Blinkern verbinden. (sw-ws und sw-gn)


    Vorschlag: Stecker X6 im Fussraum links (Verbindung der Kabelsätze) Kontakte 68 (sw-ws) und 71 (sw-gn).
    Die Anschlüsse liegen in der Reihe für Flachstecker 3. v.r. und der ganz linke.

  • #5

    Die "Universaldioden" unterscheiden sich durch ihre Belastbarkeit.


    Ohne AHK, evtl. mit Seitenblinker: 42 bzw. 47 W ==> 4 A
    Mit AHK, evtl. mit Seitenblinker: 63 bzw. 68 W ==> 5,5 - 6 A


    Oder mittels ganz billiger (1 N 914 oder 1 N 4001) Relais ansteuern (je Seite 1 Relais oder 1 Relais mit 2 getrennten Schliessern)

  • Hey,

    dir scheint die Diskussion zu gefallen, aber du bist nicht angemeldet.

    Wenn du ein kostenloses Konto eröffnest merken wir uns deinen Lesefortschritt und bringen dich dorthin zurück. Zudem können wir dich per E-Mail über neue Beiträge informieren. Dadurch verpasst du nichts mehr.


    Jetzt anmelden!