Hi,
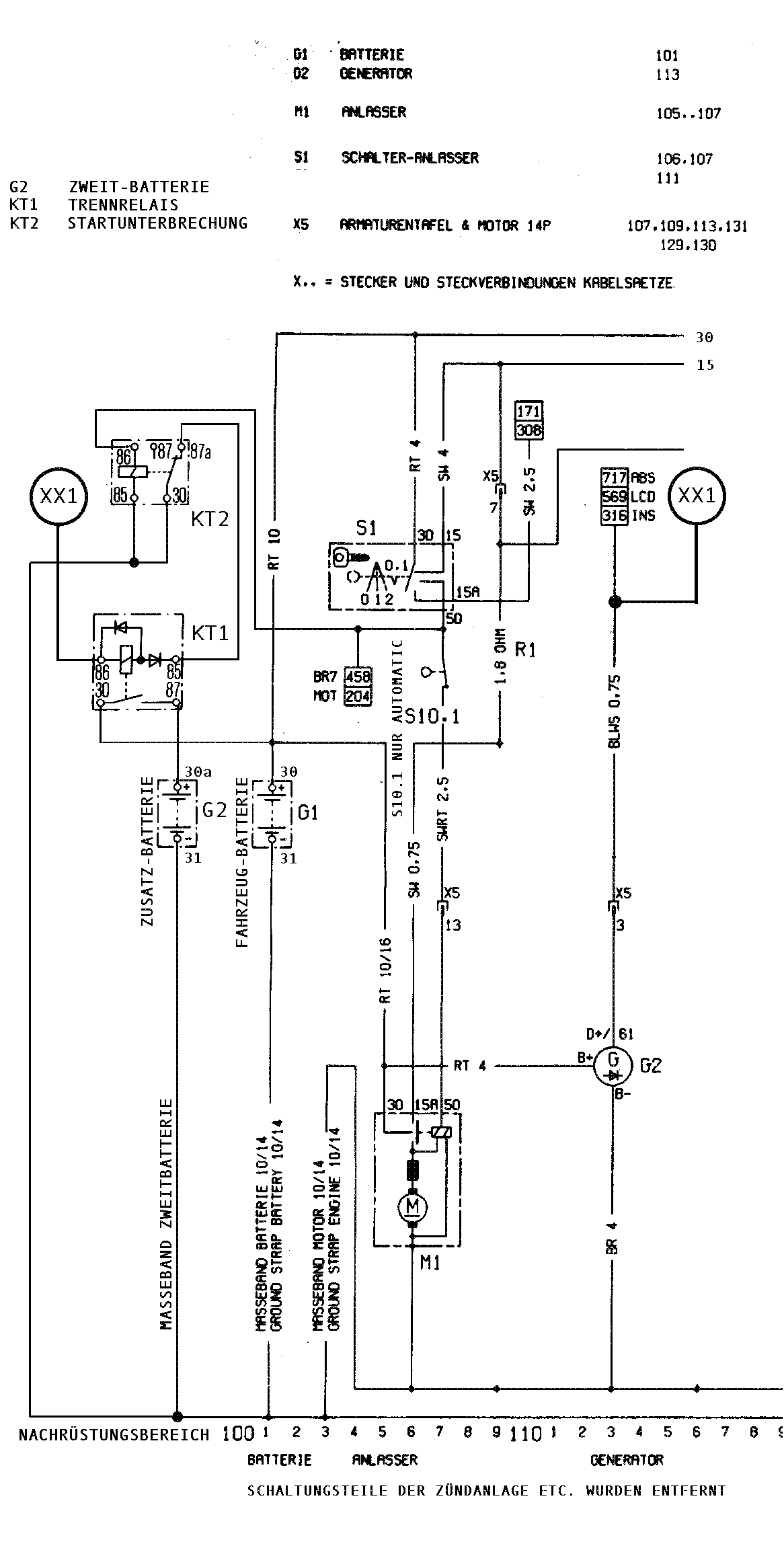
weil meine Lima heute anscheinend de geist aufgegeben hat, will ich mir nu mal was größeres rein packen, weil für 2 Batterien (66Ah) und 4 Endstufen is die süße 55A Maschine irgendwie nicht geeignet :):)
Mir schwebt im mom die Lima vom VW VR6 vor, mit 120A.
Hat die schon mal jemand an nen C16NZ gebaut?
Oder gibts ne andere, mit so hoher leistung, die evtl. besser rein passen würde?
-dass es ohne neuen Halter basteln usw. nicht gehen wird is klar, aber vll. gibts ja noch eine, die n bissi besser rein geht....
oder meint ihr dass ist garnicht machbar?
edit:
[ebay]4517300371[/ebay]
die hab ich gerade gefunden, jemand ne ahnung ob die halbwegs passen könte?