Simering Automatikgetriebe

  • #1

    Moin... Würd gern den Simering vom Automatikgetriebe wechseln.

    Also der große wo der Wandler drinn steckt.

    Den gibts nur noch in USA und England für richtig viel Geld. Ausserdem ist das Alter von den Dingern auch unbekannt.

    Weiss jemand vieleicht die genaue Bezeichnung oder Einbaugrösse?

    Hat das Getriebe ein Typenschild? Bezeichnung?


    Motor ist ein 1,3NB.


    Danke😎

  • #2

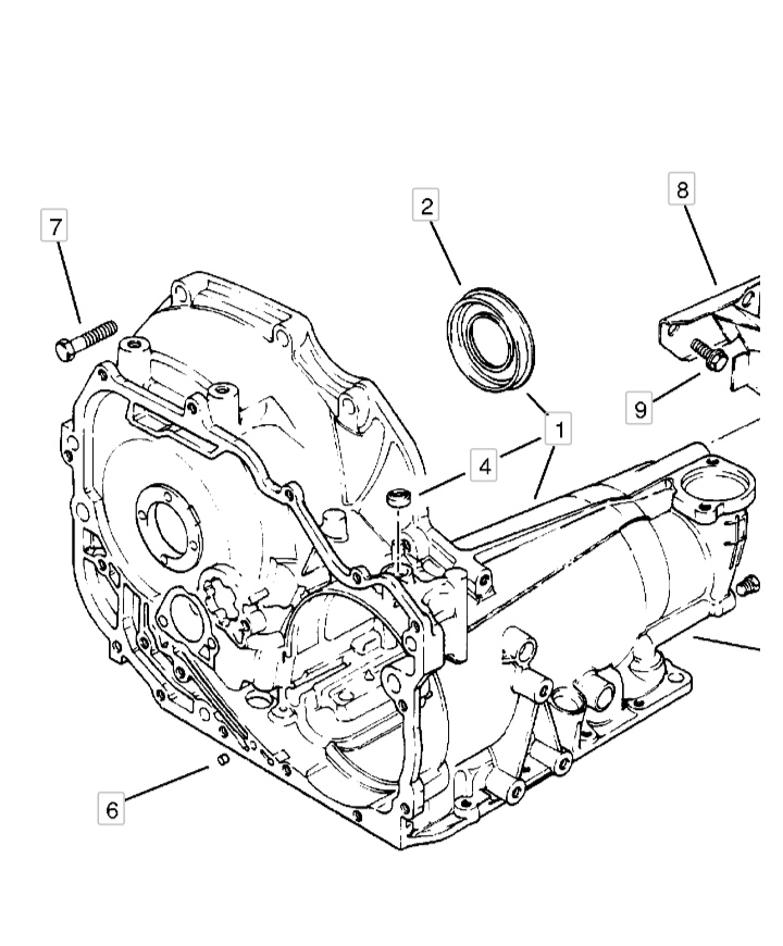
    Zeige am besten mal im Bild welchen Simmerring du meinst, ich habe gerade mal im EPC geschaut und finde keinen Simmerring wo ein Wandler drin steckt.

    Ein Auto ist erst dann schnell genug, wenn man Morgens davor steht und angst hat, es aufzuschliessen. Zitat: Walter Röhrl
    1x Omega A Caravan 116PS/C20NE mit LPG
    1x Astra H TwinTop 155PS/Z18XER

    1x Zafira B Family 140PS/A18XER

  • #5

    hmm ok. Schon mal gut. Ich dachte nun ich rechne das in mm um und such mir das Teil in nem deutschsprachigem Shop aus.

    Aber scheint nicht Standard zu sein das Ding. Also gibt s dann wohl nur in inch. Hilft mir aber leider auch nicht weiter.

  • #6

    Ja das es kein Standart-Simmerring ist kann passieren, das Problem hat man schon mal, so habe ich das beim Omega mit dem Lager der Kardanwelle, das ist auch kein Standart-Lager.


    Wenn man durchs ausmessen genaue Maße nehmen kann, kann man evtl. auch Lösungen mit Standart-Simmerringe finde.

    Ein Auto ist erst dann schnell genug, wenn man Morgens davor steht und angst hat, es aufzuschliessen. Zitat: Walter Röhrl
    1x Omega A Caravan 116PS/C20NE mit LPG
    1x Astra H TwinTop 155PS/Z18XER

    1x Zafira B Family 140PS/A18XER

  • #7

    Ja leider. Ganz schöne Sucherei. Bin da aber nichg weiter gekommen. Teileweise weicht das um 0,5mm ab.


    Ich hab jetzt den Original Ring bei eBay aus Spanien gefunden. 10€ +2,70€ Versand. Keine Ahnung wie das geht.🤷‍♂️.

    Ich lass mich übrraschen.


    Aber dein Foto war schon mal gut.Da stehen ja sämtliche GM Nummern zum selbigen Getriebe drinn. Irgend so ein Pontiac ist da wohl baugleich.

  • #8

    Wenn du diese Simmerringe nirgends bekommen kannst, musst du mal das Innenmaß genau messen, ob ein 54mm Simmerring passen würde, dann nimmst einen Standartsimmerring mit 54x82x11 und lässt dir eine Passbüchse drehen, das die 82mm passen.

    Ein Auto ist erst dann schnell genug, wenn man Morgens davor steht und angst hat, es aufzuschliessen. Zitat: Walter Röhrl
    1x Omega A Caravan 116PS/C20NE mit LPG
    1x Astra H TwinTop 155PS/Z18XER

    1x Zafira B Family 140PS/A18XER

  • #9

    Jepp, das THM125 war für Opel ein GM Zulieferteil vom Mutterkonzern in den USA.

    Entwickelt wurde es ursprünglich für die Pontiac Modelle mit 4- und 6-Zylinder Motoren, im Pontiac Fiero ist dieses Getriebe an einem V6 Mittelmotor quer vor der Hinterachse verbaut.

  • Hey,

    dir scheint die Diskussion zu gefallen, aber du bist nicht angemeldet.

    Wenn du ein kostenloses Konto eröffnest merken wir uns deinen Lesefortschritt und bringen dich dorthin zurück. Zudem können wir dich per E-Mail über neue Beiträge informieren. Dadurch verpasst du nichts mehr.


    Jetzt anmelden!