Schaltereinheit Fensterheber und Dach

  • #1

    Hallo wieder mal!

    Ich habe folgendes Problem....

    Die kaputte Schaltereinheit elektr. Fensterheber und Dach haben wir aus Kostengründen durch andere Schalter ersetzt, den Original Stecker belassen, erst ab dann die Kabel verlötet, alles funktioniert bestens, aber....

    seitdem leuchtet die Handbremse immer ganz hell am Display.... zieht man die Handbremse, leuchtet die Lampe stark.

    Löst man den Stecker der Schaltereinheit, ist die Leuchte am Display aus und bei ziehen der Handbremse leuchtet alles ganz normal.

    Wo ist da der Zusammenhang zwischen den Beiden???

    Vor dem Schalterumbau war das ja nicht der Fall. Was haben wir falsch gemacht oder übersehen??

    Dankbar für eine Idee.... :/

  • #2

    Also wenn die Schaltereinheit im Cabrio ähnlich aufgebaut ist wie bei meinem Audi Cabrio, dann ist das Handbremssignal über die Schaltereinheit mit der elektrischen Verdecksteuerung verbunden. Im Audi Cabrio Typ 89 konnte ich das Klappdach nur dann entriegeln, wenn der Verdecksteuerung das Signal der angezogenen Handbremse gemeldet wurde.


    Hier solltest Du Deine Suche ansetzen.

  • #4

    Da hat Strahli Recht!

    Beim Kadett kannst du das Verdeck auch nicht öffnen oder schließen, wenn die Handbremse gezogen ist oder die Persenning drauf ist.

    Der Bremslichtschalter schließt die Masse für den Verdeckmotor.

  • #6

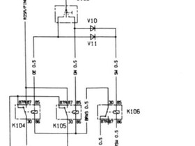
    Schalter sind von e- bay.... beide Fenster und das Dach funktionieren ja, es leuchtet nur die Kontrolle für die Handbremse hell. Danke für den Plan! Nochmals probieren und prüfen....

  • #7

    Sobald ich zum Auto komme, versuche ich Fotos zu machen und stelle diese hier rein...da muss mein Sohnemann nochmals mit dem Lötkolben ran... :wacko: :P

  • #8

    Ich habe die Vermutung, dass das Handbremssignal beim Einbau der Ersatzschalter dauerhaft gebrückt wurde, da die Anzeige ja auch bei nicht gezogener Handbremse leuchtet. Somit kann davon ausgegangen werden, dass die Spannungsversorgung der Anzeige im Cockpit über einen der neuen Ersatzschalter gespeist wird.

  • Hey,

    dir scheint die Diskussion zu gefallen, aber du bist nicht angemeldet.

    Wenn du ein kostenloses Konto eröffnest merken wir uns deinen Lesefortschritt und bringen dich dorthin zurück. Zudem können wir dich per E-Mail über neue Beiträge informieren. Dadurch verpasst du nichts mehr.


    Jetzt anmelden!