Zündverteiler
-
-
-
#12 Alles anzeigen13 S
Hast du da eventuell einen link für das 6 pin Modul
Eines von vielen:
Oder nach dieser Nummer suchen: 1985703.
-
-
-
#14 Alles anzeigenJetzt ist die Frage kann man den modifizieren also einfach das Kabel weglassen
Und wie ist die Belegung der Kabel der vierkabel weiß das jemand
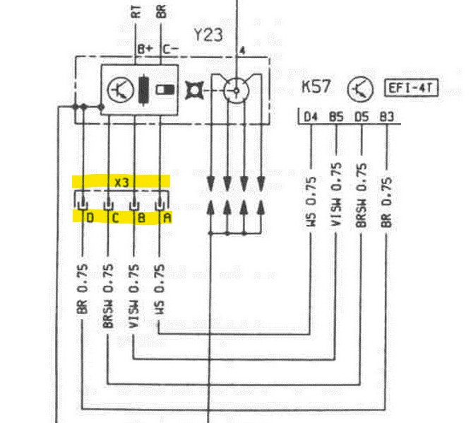
Hier ist der Stromlaufplan für den Zündverteiler mit dem 4-poligen Stecker in Richtung Steuergerät.
-
-
-
-
-
#17 Alles anzeigenherzlich willkommen im Kadett-Forum.
Es gibt unterschiedliche Delco-Verteiler.
Beide haben einen eckigen Stecker, der für den Anschluss an die Zündspule ist.
Sie haben auch einen ovalen Stecker, der ist für die Leitung zum Steuergerät. Dieser Stecker hat drei oder vier Kabel. Es sind auch unterschiedliche Zündmodule verbaut.
Ich denke der 3-polige Stecker ist für Fahrzeuge ohne geregeltem 3-Wege-Katalysator und Lambdasonde. Bin mir da aber nicht sicher.
Ist es ein neuer oder gebrauchter Verteiler, den Du gekauft hast.?
Grüße
DreamOpel
Hallo DreamOpel
mal ein Gedankengang am Rande, es sollte doch möglich sein den Verteiler für die Multec Einspritzung (C13N/ C16NZ/ C16LZ) mit dem 4-poligen Übergabestecker X3 auf eine Verteiler Version mit einem 3-poligen Übergabestecker für die Vergasermotoren umzurüsten.
Dafür müssten dann neben dem Zündmodul mit 6 Pin´s auch der Kabelsatz X3 getauscht werden; ggf. auch die Magnetspule. All diese Teile sind mit etwas Suche noch zu bekommen, da muss dann auch nichts umgefrickelt werden.
Gruß Strahli
Kabelsatz Zündspule Zündverteiler Opel Kadett E GM 1987047 Neu Original
Magnetspule Hallgeber Delco Opel Kadett E 1212125 GM 1979511 Neu
-
#18 Dieser ist für Zündverteiler mit einer Unterdruckdose zur Zündverstellung.
Das erkennt man am unteren Winkel, wo die Zugstange von der Druckdose eingehangen wird.
Motoren 13NB, C13N und C16NZ haben dies nicht, Die Zündverstellung erfolgt elektronisch. Deren Geber unterscheiden sich untereinander nicht.
Dafür müsste die Teilenummer anders lauten, 1212126 und 1978503.
-
-
#19 was mich interessiert wäre der Hersteller von dem neuen Verteiler.
Dieser ist für die Motoren mit der Multec-Einspritzanlage und ist neu, wenn Original selten zu bekommen und teurer.
Gibt es nicht einen passenden für Deinen.
Für den 4-poligen Infekt Du bestimmt hier im Forum einen Abnehmer.
-
-
-
Hey,
dir scheint die Diskussion zu gefallen, aber du bist nicht angemeldet.
Wenn du ein kostenloses Konto eröffnest merken wir uns deinen Lesefortschritt und bringen dich dorthin zurück. Zudem können wir dich per E-Mail über neue Beiträge informieren. Dadurch verpasst du nichts mehr.
Jetzt anmelden!